Akku im ausgebauten zustand laden
- Beak
- 16 kWh - fährt
- Beiträge: 20
- Registriert: 22. Nov 2016 07:22
- Kontaktdaten:
Akku im ausgebauten zustand laden
Hallo Ladeexperten,
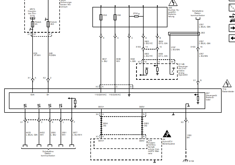
ich hab meinen Ampera so gut wie komplett zerlegt und würde den Akku gern nach ner Zeit nachladen. Hat jemand Erfahrung/Ahnung, wie man den Akku-Pack am besten lädt, wenn er nicht ans System angeschlossen ist. Das BMS kann ich ja so nicht in Betrieb nehmen.
Danke für Tipps!
Christoph
ich hab meinen Ampera so gut wie komplett zerlegt und würde den Akku gern nach ner Zeit nachladen. Hat jemand Erfahrung/Ahnung, wie man den Akku-Pack am besten lädt, wenn er nicht ans System angeschlossen ist. Das BMS kann ich ja so nicht in Betrieb nehmen.
Danke für Tipps!
Christoph
- Andreas Ranftl
- 1.21 Gigawatt
- Beiträge: 1165
- Registriert: 21. Nov 2016 22:59
- Wohnort: 83377 Vachendorf
- Kontaktdaten:
Re: Akku im ausgebauten zustand laden
Würde sagen Steckdose,Kabelbaum zu und ab Ladegerät und Richtung Batterie herstellen-Datenverbindungen müssen sein,dann schaun was passiert
.Ah B+/- 12V Kreis und aktivierung kommunikation hast du noch...
Was hat noch Räder bei mir? Sommerfahrzeug Opel Senator B 24V Automatik 1990,C30SE-Opel Mokka A 1,4 LE2 Allrad Autom.,Anhänger Monty B11,800kg,1998
-
manwe
- 111 kW - voll elektrisch
- Beiträge: 251
- Registriert: 11. Jan 2017 08:57
- Kontaktdaten:
Re: Akku im ausgebauten zustand laden
Pass nur auf dass es nicht so endet:
https://www.swr.de/swraktuell/rheinland ... u-100.html
Da wird dann gleich wieder die Brandgefahr von Elektroautos dramatisiert weil der "Bastler" seinen Akku unsachgemäss geladen hat
Wobei es hier eher so tönt als sei es beim Ausbau passiert.
https://www.swr.de/swraktuell/rheinland ... u-100.html
Da wird dann gleich wieder die Brandgefahr von Elektroautos dramatisiert weil der "Bastler" seinen Akku unsachgemäss geladen hat
Wobei es hier eher so tönt als sei es beim Ausbau passiert.
- he2lmuth
- 1.21 Gigawatt !
- Beiträge: 5078
- Registriert: 19. Aug 2011 12:16
- Kontaktdaten:
Re: Akku im ausgebauten zustand laden
Ohne BMS auf keinen Fall

Oder jede Zelle einzeln auf 3,9-4,0 V bei 4,5 A bringen.
Oder jede Zelle einzeln auf 3,9-4,0 V bei 4,5 A bringen.
L.G. Hellmuth
Es ist keinesfalls ausreichend lediglich keine Überlegungen anstellen zu können, man muss auch unfähig sein diese mitzuteilen.
Es ist keinesfalls ausreichend lediglich keine Überlegungen anstellen zu können, man muss auch unfähig sein diese mitzuteilen.
- Beak
- 16 kWh - fährt
- Beiträge: 20
- Registriert: 22. Nov 2016 07:22
- Kontaktdaten:
Re: Akku im ausgebauten zustand laden
Danke!
@Helmuth: So hab ich mir das gedacht. Da das BMS nicht mehrn verfügbar ist, scheint mir das plausibel.
Schöne Grüße
Christoph
@Helmuth: So hab ich mir das gedacht. Da das BMS nicht mehrn verfügbar ist, scheint mir das plausibel.
Schöne Grüße
Christoph
- he2lmuth
- 1.21 Gigawatt !
- Beiträge: 5078
- Registriert: 19. Aug 2011 12:16
- Kontaktdaten:
Re: Akku im ausgebauten zustand laden
Vielleicht sind 3,8-3,9 V besser denn die Selbstentladung der Batt ist äußerst gering.
L.G. Hellmuth
Es ist keinesfalls ausreichend lediglich keine Überlegungen anstellen zu können, man muss auch unfähig sein diese mitzuteilen.
Es ist keinesfalls ausreichend lediglich keine Überlegungen anstellen zu können, man muss auch unfähig sein diese mitzuteilen.
- LambdaCore 21
- 500 kW - overdrive
- Beiträge: 1246
- Registriert: 1. Dez 2012 22:34
- Wohnort: Goldbach, Unterfranken
- Kontaktdaten:
Re: Akku im ausgebauten zustand laden
Da ich kein Ladeexperte bin, würde ich mir das offizielle GM Ladegerät für 8000$ kaufen müssen
https://youtu.be/atxGJKG8jN0?t=204
https://youtu.be/atxGJKG8jN0?t=204
Opel Ampera - ePionier - MY12 - CU113*** - 08.2014 bis 05.2025


Wer ist online?
Mitglieder in diesem Forum: Baidu [Spider] und 2 Gäste