Seite 97 von 141
Re: Hochspannungs-Ladesystem warten
Verfasst: 11. Feb 2021 16:27
von Martin
Klingt nicht so gut.
Könnte es sein das sich Schnee irgendwo reingeschoben oder gedrückt hat?
Ich habe beim rangieren soviel Schnee gesammelt das ich aufsaß und die Vorderräder fast frei drehten.
Re: Hochspannungs-Ladesystem warten
Verfasst: 11. Feb 2021 19:53
von Opelkind
okko hat geschrieben: ↑11. Feb 2021 08:20
Hab ich das richtig verstanden, daß die Antriebsbatterie komplett ersetzt werden muß, wenn der Sensor korrosionsbedingt die Werte nicht bringt? Das wäre ja außerhalb der Garantie ein Totalschaden.
Ja so habe ich das auch verstanden. Im amerikanischen Chevy Volt Forum ist die Meldung mit "Batterie zu kalt..." auch schon diskutiert worden. Die Sensoren sitzen so blöd das da ein Tausch der kompletten Batterie oder mindestens eines Moduls fällig ist (...falls du jemanden findest der es macht)
Ich hatte die Meldung auch schon dreimal während der Fahrt ist aber von alleine wieder verschwunden.
Re: Hochspannungs-Ladesystem warten
Verfasst: 11. Feb 2021 22:13
von Martin
Hier noch der Auszug der Temperaturen pro Batteriemodul.
Die Werte sind erst einmal plausibel, nun habe ich die Hoffnung das dem Ampera nur ein Furz der Quere klemmt und es mit einem neuflash getan ist.
Re: Hochspannungs-Ladesystem warten
Verfasst: 12. Feb 2021 08:28
von he2lmuth
Ich wünsche Dir dass es so IST

Re: Hochspannungs-Ladesystem warten
Verfasst: 13. Feb 2021 13:35
von Martin
Tja ich vermute mal es ist eher wie beim Andreas.
Ein Sensor wischt ab und zu mal nach unten....
Da kam auch kurz die Meldung mit Batterie zu kalt.
Re: Hochspannungs-Ladesystem warten
Verfasst: 13. Feb 2021 16:05
von Andreas Ranftl
Wie bei mir,exakt.Bei den anderen Sensoren /3+4/ ist auch eine recht grosse Spanne,normal max.2 Grad Differenz war bei mir.Ist deiner schon 8 Jahre?Falls ja Batterie raus,Deckel ab und ALLE Steckverbindungen reinigen,einsprühen,fetten,alle 9 Sensoren Widerstand vergleichen,Deckel abdichten und wieder rein.Das macht dir kein Händler,aber Werkzeug und den Ausbau-Rahmen leiht er dir vielleicht

Und noch was...Bei Unebenheiten Fahrbahn,Schwellen von Brücken,kurze Schläge kommt er und geht ist mir aufgefallen,typisch für Wackelkontakte und Korrosionen in Steckern.
Re: Hochspannungs-Ladesystem warten
Verfasst: 13. Feb 2021 19:18
von Martin
8 Jahre noch nicht voll aber 215.000km

Danke für den Tipp. Hättest du schon ein Bild wo die Sensoren zu finden sind, bzw. die Stecker.
Re: Hochspannungs-Ladesystem warten
Verfasst: 13. Feb 2021 20:16
von Andreas Ranftl
https://youtu.be/eWYtq0hxhQg
Ca. in der Mitte des Videos
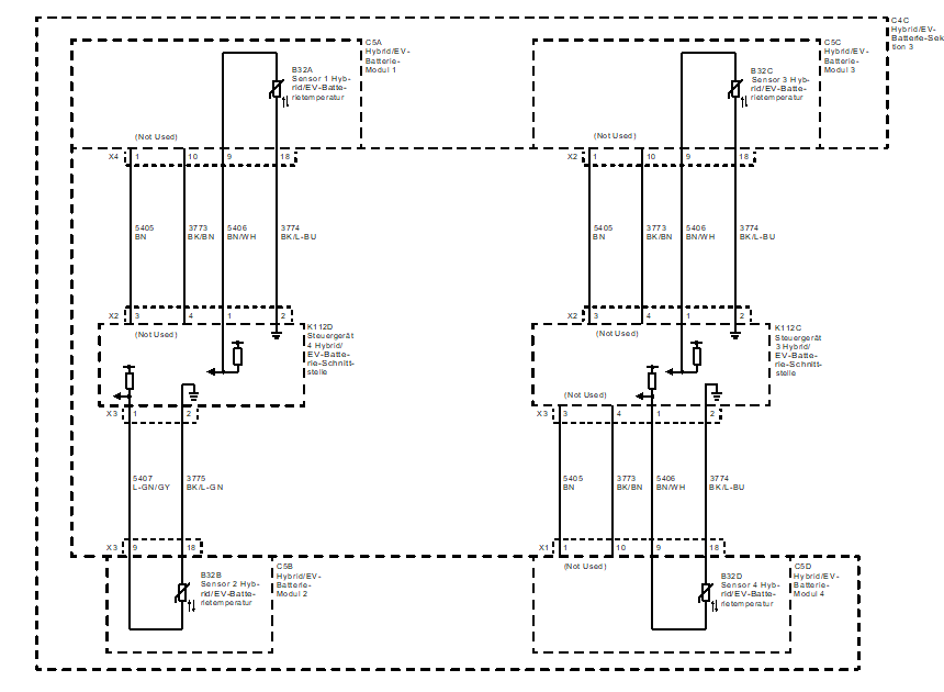
An Connector 7 vom BECM liegen alle Temperatursensoren an.Hier müssen dann die Widerstandswerte -ca.alle identisch-gemessen werden.
Prof.Kelly beschreibt den Temp.sensor 2 rechts hinten-Sektion 3-die ganz hinten quer,laut dem Stromlaufplan sind Sensor 3/4 dann Sektion 3 links in Fahrtrichtung.

- batterie sek.3.PNG (32.12 KiB) 2367 mal betrachtet
Re: Hochspannungs-Ladesystem warten
Verfasst: 14. Feb 2021 01:30
von Martin
Andreas Ranftl hat geschrieben: ↑13. Feb 2021 20:16
https://youtu.be/eWYtq0hxhQg
Ca. in der Mitte des Videos
An Connector 7 vom BECM liegen alle Temperatursensoren an.Hier müssen dann die Widerstandswerte -ca.alle identisch-gemessen werden.
Danke.
Mal sehen wer sich da opfert und das macht....
Re: Hochspannungs-Ladesystem warten
Verfasst: 14. Feb 2021 18:47
von Joachim
„Batterie zu kalt, bitte an Strom anschliessen“ hatte ich schon drei Mal. Jedes Mal kam hinterher nach wenigen Sekunden Laden: „Hochspannungs-Ladesystem warten“!
Und das geht bekanntermaßen nicht von alleine weg. Also durfte ich jedes Mal den FOH besuchen …
Bin mal gespannt, ob mal jemand eine kostengünstigere Lösung findet, als die Batterie zu ersetzen.
