CAN-Hacking (war: OBD2 - ELM327 - Linux)
-
micky4
- 500 kW - overdrive
- Beiträge: 2082
- Registriert: 5. Apr 2012 08:39
- Wohnort: Wien, Österreich
- Kontaktdaten:
Re: AW: CAN-Hacking (war: OBD2 - ELM327 - Linux)
Wofür gibts diesen Stecker ?
Liebe Grüße, Michael CU#13068, lithiumweiss, ePionier
myampera.wordpress.com
myampera.wordpress.com
-
mikeljo
- 111 kW - voll elektrisch
- Beiträge: 458
- Registriert: 23. Sep 2011 18:35
- Wohnort: Kaiserslautern
- Kontaktdaten:
Re: CAN-Hacking (war: OBD2 - ELM327 - Linux)
Debuggen des Moduls. Sonst keine Funktion.micky4 hat geschrieben:Wofür gibts diesen Stecker ?
-
gecko
- 111 kW - voll elektrisch
- Beiträge: 125
- Registriert: 13. Sep 2012 19:47
- Wohnort: Köppling, Stmk, AT
- Kontaktdaten:
Re: CAN-Hacking (war: OBD2 - ELM327 - Linux)
Hallo Bastler 
Ich bin leider im Winter auch zu fast nichts gekommen. Zuviel andere Sachen zu tun und natürlich auch zu kalt für stundenlanges loggen
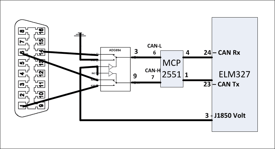
Vielleicht hilft das hier jemanden. Ich habe mir mal Gedanken gemacht, wie wir den SWCAN auch mit dem billigen ELM loggen bzw. ansprechen können. Anbei eine kleine Schematic, wie man mit einem einfachen switch (SPDT), z.B. ADG884, zwischen normal CAN (Pin 6/14) auf den SWCAN (Pin 1) umschalten könnte. Sollte eigentlich funktionieren. Ich muss das aber auch erst in meinen billig Bluetooth Elm für 15 Euro (Amazon) reinlöten. Vielleicht am Wochenende.
Ich habe hier einfach das PIN 3 vom ELM (J1850 Volt) genommen, um zwischen den Pins hin-und-her zuschalten. J1850 brauchen wir nicht beim Ampera.
Das steuert man dann mit dem "PP12" Kommando, dann gibt Pin 3 0V oder 5V aus.
Den SWCAN konfiguriert man dann mit (hab ich aus den Internet):
Wie gesagt, muss es auch erst noch zusammenlöten.
LG
Gecko
Ich bin leider im Winter auch zu fast nichts gekommen. Zuviel andere Sachen zu tun und natürlich auch zu kalt für stundenlanges loggen
Vielleicht hilft das hier jemanden. Ich habe mir mal Gedanken gemacht, wie wir den SWCAN auch mit dem billigen ELM loggen bzw. ansprechen können. Anbei eine kleine Schematic, wie man mit einem einfachen switch (SPDT), z.B. ADG884, zwischen normal CAN (Pin 6/14) auf den SWCAN (Pin 1) umschalten könnte. Sollte eigentlich funktionieren. Ich muss das aber auch erst in meinen billig Bluetooth Elm für 15 Euro (Amazon) reinlöten. Vielleicht am Wochenende.
Ich habe hier einfach das PIN 3 vom ELM (J1850 Volt) genommen, um zwischen den Pins hin-und-her zuschalten. J1850 brauchen wir nicht beim Ampera.
Das steuert man dann mit dem "PP12" Kommando, dann gibt Pin 3 0V oder 5V aus.
Den SWCAN konfiguriert man dann mit (hab ich aus den Internet):
Code: Alles auswählen
"ATPP 2D SV 0F", // baud rate to 33.3kbps
"ATPP 2C SV 40", // send in 29-bit address mode, receive both(0x60) just 29 (0x40)
"ATPP 2D ON", // activate baud rate PP.
"ATPP 2C ON", // activate addressing pp.
"ATPP 2A OFF", // turn off the CAN ERROR checking flags used by wakeUp()
"ATWS", // reset chip so changes take effect
"ATSPB", // set protocol to B (user defined 1)
"ATH1", // show headers
LG
Gecko
Ampera Cosmo, POWERBLAU, seit 25.09.2012 VIN xxxCU109394
-
gecko
- 111 kW - voll elektrisch
- Beiträge: 125
- Registriert: 13. Sep 2012 19:47
- Wohnort: Köppling, Stmk, AT
- Kontaktdaten:
Re: CAN-Hacking (war: OBD2 - ELM327 - Linux)
Hallo Hacker,
hier mal erste SWCAN Test Ergebnisse. Bin noch nicht zum Löten gekommen, habe mir aber parallel dazu einen OBDLink MX aus den USA gekauft. Man braucht ja immer zwei: ein zum senden und einen zum loggen
Der OBDLink MX ist cool. Hat denselben Befehlssatz wie ELM, ist viel schneller und unterstützt ohne löten SWCAN.
Ich habe zwei Ereignisse mitgelogged:
1. Beim Drücken der Fernbedienung Tür-Schliessen
2. sporadisches Aufwachen des Busses
Wie man im Log sieht fängt alles immer mit dem Aufwachen des Busses an, also
621:0140000000000000
oder
631:0140000000000000
Wobei 0x620-0x63F für die virtuellen netze reserviert sind. u.A. zu lesen hier
http://www.canbushack.com/blog/index.ph ... &tb=1&pb=1
oder in der GMW3110...
Ich habe jetzt noch nicht probiert, ob das senden des Kommandos nun den Bus aufwecken wird.
Vielleicht sollte man mal 0x621:01FFFFFFFF000000 um wirklich alles aufzuwecken?
Interessant ist auch, dass bei Fall 1 diese beiden Messages nur 1x vorkommen:
10718040:0082 (ArbID 0x38C)
10414040:00057B05 (ArbID 0x2A)
Könnte nun wirklich was mit der Fernbedienung und Türen schliessen zu tun haben...
LG
Edit:
Ich habe hier höchstwahrscheinlich wirklich die richtigen Messages getroffen. Beim Türen ÖFFNEN wird das hier auf dem SWCAN gesendet:
10718040:0086
10414040:0004FB05
LG
hier mal erste SWCAN Test Ergebnisse. Bin noch nicht zum Löten gekommen, habe mir aber parallel dazu einen OBDLink MX aus den USA gekauft. Man braucht ja immer zwei: ein zum senden und einen zum loggen
Ich habe zwei Ereignisse mitgelogged:
1. Beim Drücken der Fernbedienung Tür-Schliessen
2. sporadisches Aufwachen des Busses
Wie man im Log sieht fängt alles immer mit dem Aufwachen des Busses an, also
621:0140000000000000
oder
631:0140000000000000
Wobei 0x620-0x63F für die virtuellen netze reserviert sind. u.A. zu lesen hier
http://www.canbushack.com/blog/index.ph ... &tb=1&pb=1
oder in der GMW3110...
Ich habe jetzt noch nicht probiert, ob das senden des Kommandos nun den Bus aufwecken wird.
Vielleicht sollte man mal 0x621:01FFFFFFFF000000 um wirklich alles aufzuwecken?
Interessant ist auch, dass bei Fall 1 diese beiden Messages nur 1x vorkommen:
10718040:0082 (ArbID 0x38C)
10414040:00057B05 (ArbID 0x2A)
Könnte nun wirklich was mit der Fernbedienung und Türen schliessen zu tun haben...
LG
Edit:
Ich habe hier höchstwahrscheinlich wirklich die richtigen Messages getroffen. Beim Türen ÖFFNEN wird das hier auf dem SWCAN gesendet:
10718040:0086
10414040:0004FB05
LG
- Dateianhänge
-
- Ampera_swcan_off.zip
- logfile
- (13.88 KiB) 3589-mal heruntergeladen
Zuletzt geändert von gecko am 3. Apr 2013 14:24, insgesamt 1-mal geändert.
Ampera Cosmo, POWERBLAU, seit 25.09.2012 VIN xxxCU109394
-
Kratus
- 500 kW - overdrive
- Beiträge: 1352
- Registriert: 26. Dez 2011 12:49
- Wohnort: 30 km nördlich von Straßburg, Frankreich
- Kontaktdaten:
Re: CAN-Hacking (war: OBD2 - ELM327 - Linux)
Und wie sieht es aus mit "Tür-Schliessen" und dann "Vorheizen" 3 sek. lang?
Daran sind wahrscheinlich viele hier interessiert (OVMS...
)
Daran sind wahrscheinlich viele hier interessiert (OVMS...
Kratus.
Grüße aus dem Elsaß (Frankreich)
Ampera Modell 2013A.
Grüße aus dem Elsaß (Frankreich)
Ampera Modell 2013A.
-
gecko
- 111 kW - voll elektrisch
- Beiträge: 125
- Registriert: 13. Sep 2012 19:47
- Wohnort: Köppling, Stmk, AT
- Kontaktdaten:
Re: CAN-Hacking (war: OBD2 - ELM327 - Linux)
Cool bleiben, das kriegen wir auch noch raus
Hab ja grad erst mit SWCAN angefangen. Ich bin mir auch 99.99% sicher,dass SWCAN der Schlüssel zum Erfolg ist. Alles was ich bis dahin auf normal CAN (pin 6/14) gelogged habe zeigt keine Anzeichen vom Aufwachen, Öffnen, Schliessen usw.
Mein erster Schuß in Richtung SWCAN war gleich ein Treffer. Hier müssen wir weitermachen.
Frage: Bin ich hier der Einzige der SWCAN loggen kann?
Wäre nett wenn jemand hilft damit es schneller geht.
Lg
Hab ja grad erst mit SWCAN angefangen. Ich bin mir auch 99.99% sicher,dass SWCAN der Schlüssel zum Erfolg ist. Alles was ich bis dahin auf normal CAN (pin 6/14) gelogged habe zeigt keine Anzeichen vom Aufwachen, Öffnen, Schliessen usw.
Mein erster Schuß in Richtung SWCAN war gleich ein Treffer. Hier müssen wir weitermachen.
Frage: Bin ich hier der Einzige der SWCAN loggen kann?
Wäre nett wenn jemand hilft damit es schneller geht.
Lg
Ampera Cosmo, POWERBLAU, seit 25.09.2012 VIN xxxCU109394
-
gecko
- 111 kW - voll elektrisch
- Beiträge: 125
- Registriert: 13. Sep 2012 19:47
- Wohnort: Köppling, Stmk, AT
- Kontaktdaten:
Re: CAN-Hacking (war: OBD2 - ELM327 - Linux)
Hmm, nicht so einfach wie ich dachte
Jetzt brauch ich aber wirklich Hilfe!!!! Kann denn hier keiner SWCAN?
Status:
Mittels SWCAN kann ich den ganzen Bus wieder aufwecken und die Steuergeräte unterhalten sich fleissig. Brauche nur das senden: 0x621:01FFFFFFFF000000. Das sollte zumindest bei den OVMS Leuten mal weiter helfen, um die SOC Daten wieder auf den CAN zu bekommen.
Das Öffnen/Schliessen klappt nicht. warum auch immer. Habe tonnenweise logfiles und es kommen immer dieselben Messages raus, die dafür in Frage kommen. Nur, wenn ich die auf den SWCAN sende tut sich nichts. Da muss man also wohl noch mehr senden, damits geht ... aber was?
Wo ich Hilfe bräuchte wäre eigentlich von einem Volt mit OnStar System. Die Parameter ID und Source ID der 29bit Can Nachricht sind wohl bekannt und da könnte man den Mechanismus für Öffnen/Schliessen mitloggen. Ich komme jetzt hier wirklich nicht mehr weiter ohne zusätzlich Infos. Also wenn jemand solche logs hat ...
Ich werde SWCAN jetzt erstmal beiseite legen. Vielleicht mach später mal mit einfachen Sachen weiter, wie z.B. Blinker anschalten, Radio Leutstärke regeln oder so.
LG
Status:
Mittels SWCAN kann ich den ganzen Bus wieder aufwecken und die Steuergeräte unterhalten sich fleissig. Brauche nur das senden: 0x621:01FFFFFFFF000000. Das sollte zumindest bei den OVMS Leuten mal weiter helfen, um die SOC Daten wieder auf den CAN zu bekommen.
Das Öffnen/Schliessen klappt nicht. warum auch immer. Habe tonnenweise logfiles und es kommen immer dieselben Messages raus, die dafür in Frage kommen. Nur, wenn ich die auf den SWCAN sende tut sich nichts. Da muss man also wohl noch mehr senden, damits geht ... aber was?
Wo ich Hilfe bräuchte wäre eigentlich von einem Volt mit OnStar System. Die Parameter ID und Source ID der 29bit Can Nachricht sind wohl bekannt und da könnte man den Mechanismus für Öffnen/Schliessen mitloggen. Ich komme jetzt hier wirklich nicht mehr weiter ohne zusätzlich Infos. Also wenn jemand solche logs hat ...
Ich werde SWCAN jetzt erstmal beiseite legen. Vielleicht mach später mal mit einfachen Sachen weiter, wie z.B. Blinker anschalten, Radio Leutstärke regeln oder so.
LG
Ampera Cosmo, POWERBLAU, seit 25.09.2012 VIN xxxCU109394
Wer ist online?
Mitglieder in diesem Forum: 0 Mitglieder und 1 Gast