Seite 1 von 2
Ladeklappe komplett ausgefallen P0CD02
Verfasst: 7. Sep 2019 16:39
von kingcopy
Hi all, nun hat die Ladeklappe komplett den Geist aufgegeben, es macht gar nichts mehr, wenn man genau hinhört , hört man noch das Relais im Motoraum klacken aber das wars auch schon, muss wohl der Stellmotor hinne sein... alles Rüteln hilft nichts, der Tut einfach nichts mehr... Ich versuche noch das Relais auszumessen aber auch eine Überbrückung von Kontakt 30 und 87 was sich beim Relais schliessen soll tut nichts....
Jetzt gibt das wieder eine Odissey mit Opel Terminen und Werkstätten von 100 KM....
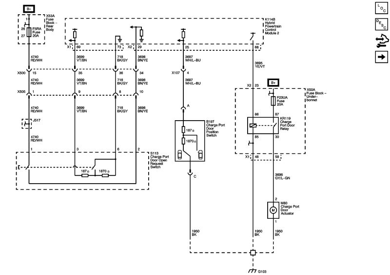
Relay Test
Vehicle OFF, disconnect the KR119 charge port door relay.
Test for 60-180 Ω between terminals 85 and 86.
⇒ If not within the specified range, replace the KR119 charge port door relay.
Test for infinite resistance between the following terminals:
• 30 and 86
• 30 and 87
• 30 and 85
• 85 and 87
⇒ If not the specified value, replace the KR119 charge port door relay.
Install a 5 A fused jumper wire between relay terminal 85 and 12 V. Install a jumper wire between relay terminal 86 and ground. Test for less than 2 Ω between terminals 30 and 87.
⇒ If greater than the specified range, replace the KR119 charge port door relay.
Hmm
M80 charge port door actuator should release the charge port door allowing it to open.
Re: Ladeklappe komplett ausgefallen P0CD02
Verfasst: 7. Sep 2019 17:26
von BECKER-SYSTEMS
Hi, bei mir war einfach nur der Seilzug defekt.

Re: Ladeklappe komplett ausgefallen P0CD02
Verfasst: 7. Sep 2019 18:36
von NURso
probier mal nen saugnapf. auf öffnen drücken und dann mit den saugnapf die klappe öffnen.
Re: Ladeklappe komplett ausgefallen P0CD02
Verfasst: 7. Sep 2019 19:58
von Andreas Ranftl
Links Vorne Rad freiheben und Innenkotschutz ausbauen,es gibt einen Schalter am Scharnier und einen Stecker rechts am Motor der den Riegel betätigt.Stecker bewegen und mit Fernbedienung immer wieder entriegeln bis man den Motor hört,ggf. mit kleinem Hammer auf den Motor klopfen bis der oxidierte Kollektor wieder Strom bekommt und sich dreht.Stecker am Motor hat bestimmt auch Kontaktkorrosion, Spray rein.Danach müsste der Einsatz raus und der Motor zerlegt werden und oxidlösendes Spray rein und den Riegel mit Silikon Fett schmieren.
Re: Ladeklappe komplett ausgefallen P0CD02
Verfasst: 8. Sep 2019 17:31
von Ampera-Fan
@Andreas
mir scheint, daß es doch viele Probleme mit korrodierten Kontakten gibt.
Ist das jetzt schlecht entwickelt, oder läßt sich das nicht vermeiden?
Re: Ladeklappe komplett ausgefallen P0CD02
Verfasst: 8. Sep 2019 19:42
von Andreas Ranftl
Die Stellmotoren sind wie im z.B. Lenksäulenmodul alle gleich in ihren Eigenschaften und Anfälligkeiten,schlimmer wird's nur wenn die Umgebung und Beanspruchung,Dichtheit usw.sich ändern.
Der normale Nutzer wäscht z.B. seinen Opel NIE,der Wiederverkaufswert und das Image ist das nämlich nicht wert.Innerhalb des Radhauses hinter der Verkleidung gammelt nämlich deine Steckdose ganz schön von hinten.Sogar vom Knall und Blitzen beim anstecken wegen fauligen Anschlüssen war hier im Forum schon die Rede.Ich repariere auch Steuergeräte von Diesel-Modellen die von Schlamm umhüllt durchrosten.
Also wenn waschen dann richtig,vor allem die Dose darf von vorne nicht mit Wasser vollaufen,macht bitte einen Cut 3mm unten im Gummi.
Korridierte Kontakte gibt's meist wegen unterschiedlichen Metallen und Oberflächen der Pins.Elektrochemische Korrosion,in Verbindung mit Dauerfeuchtigkeit õfters ein Problem,Pins haben dann schwarze Punkte an den Berührungspunkten,mit Licht und Lupe gut zu sehen,auch mit deinem Multimeter gut messbar,Kl.87 gegen Masse und dann Motor bewegen,dann siehst du gleich wos hängt.
Re: Ladeklappe komplett ausgefallen P0CD02
Verfasst: 9. Sep 2019 11:54
von kingcopy
Andreas Ranftl hat geschrieben: ↑7. Sep 2019 19:58
Links Vorne Rad freiheben und Innenkotschutz ausbauen,es gibt einen Schalter am Scharnier und einen Stecker rechts am Motor der den Riegel betätigt.Stecker bewegen und mit Fernbedienung immer wieder entriegeln bis man den Motor hört,ggf. mit kleinem Hammer auf den Motor klopfen bis der oxidierte Kollektor wieder Strom bekommt und sich dreht.Stecker am Motor hat bestimmt auch Kontaktkorrosion, Spray rein.Danach müsste der Einsatz raus und der Motor zerlegt werden und oxidlösendes Spray rein und den Riegel mit Silikon Fett schmieren.
Super Tipp Andreas , das versuche ich noch bevor ich mich in die Werkstatt melde...
Das Ding muss sich doch wieder irgendwie rühren...
Re: Ladeklappe komplett ausgefallen P0CD02
Verfasst: 9. Sep 2019 18:50
von kingcopy
Habe alles zerlegt, tatsächlich kam ein Haufen Dreck heraus der wohl dem Actuator zugesetzt hatte. ich konnte tatsächlich das Ding durch leichtes klopfen wieder zum laufen bringen,
alles komplett gereinigt
dann ca. ca. 100 MAL betätigt---
Danach ist er mir direkt komplett abgeschmorrt....hat die komplette Krätze bekommen....KRRRRRRZZZZZZZTTTT!!!!(SCHMOR)
https://www.gmpartsdirect.com/oem-parts ... r-22924954
MUSS HER
Actuator - GM (22924954) mal sehen wie schnell ich ihn bekomme
ANTRIEB - Opel Original Ersatzteil
Opel-Nummer: 2400106
GM-Nummer: 22924954
Teile-Rabatt-Gruppe: C
Teile-Gewicht in kg ca.: 0.097
Lieferumfang: 1 Stück
51,88 EUR
inkl. 19 % MwSt. zzgl. Versandkosten
Hier noch ein paar Bilder:

- Actuator.jpg (135.49 KiB) 4367 mal betrachtet
Der Actuator ist mit Nuss Torx E-Profil E4 befestigt...
neue Gehäuseschrauben sind nicht schlecht:

- Gehäuseschrauben.jpg (116.94 KiB) 4367 mal betrachtet
Dreck:

- Dreck.jpg (71.23 KiB) 4367 mal betrachtet
5 Tage abwarten.... Sprit verbrennen ohne Ende!
Es ist vollbracht!
Verfasst: 14. Sep 2019 13:50
von kingcopy
Es ist vollbracht!
Das neue Teil ist endlich gekommen:

- m80-actuator.jpg (33.6 KiB) 4300 mal betrachtet
Altes Raus, geht mitlerweile richtig schnell:

- kotflügel-door.jpg (158.02 KiB) 4300 mal betrachtet
Rein anstecken , Funktioniert alles neu, Kotflügel wieder zu, Reifen drauf, fertig.
Zu Abschluss noch das komplette Diagramm:

- chargeportdoor.jpg (44.73 KiB) 4299 mal betrachtet
Fehlercodes mit Torque löschen, die History und restlichen Fehler löschen sich nach 50 Schaltzyklen selber...
Meine erste eigene Ampera Reparatur....
Re: Ladeklappe komplett ausgefallen P0CD02
Verfasst: 15. Sep 2019 06:56
von Andreas Ranftl
...und es geht doch!!
Bzgl.deiner PN:
Hier noch ein Bild von meinem fast H Senator,ja ich bekam ihn in diesem Zustand geschenkt und ist mein Hängerzugpferd seit nunmehr 14 Jahren.

- IMG_20190915_075140.jpg (244.65 KiB) 4260 mal betrachtet